不銹鋼截止閥

不銹鋼氨用截止閥產品概述:
J41B/F-25P 不銹鋼氨用截止閥專為氨氣、燃氣的管路或裝置設計。結構上注意了防火要求。填料采用聚四氟乙烯,密封可靠。密封副材料采用聚四氟乙烯,為軟密封,密封可靠。適用于氨氣,液化石油氣氟氣管路系統,作為啟閉裝置,也適用于其他溫度≤150℃的管路。氨用截止閥具有密封性能穩定、使用安全可靠、耐腐蝕性強、無介質內、外漏以及操作輕便等特點,適用于化工行業氨氣,燃氣管道的傳送,并符合使用的要求。其密封性、可維修性、安全性等。
不銹鋼氨用截止閥產品特點:
1.針對普通閥門耐腐蝕性能差、殼體易穿孔的缺點,根據介質具體特性,氨氣專用閥在閥體材料上選用耐腐蝕鋼(低溫碳素鋼添加耐蝕合金元素),可耐氨氣、液氨腐蝕,低溫可至-40℃,符合工況條件使用要求。
2.氨用截止閥密封副配對結構型式采用球、平面型,密封自動補償,達到雙重保險的效果,密封性能穩定,無粘著磨損。
3.產品中法蘭采用凹凸密封結構,即使在管道壓力波動的情況下,保證中法蘭密封可靠。
4.上密封裝置中采用多級聚四氟乙烯密封材料,形成組合密封,確保閥門在使用期限內填料函無介質泄露,消除了普通閥門填料函密封薄弱、介質易外漏。
不銹鋼氨用截止閥性能參數:
公稱壓力PN(MPA) | 試驗壓力PS(MPa) | 適用介質 | 適用溫度(℃) | |
2.5 | 3.8 | 氨氣、 | 巴氏合金 | 四氟 |

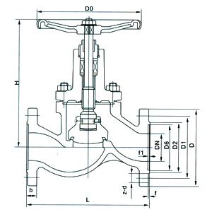
不銹鋼氨用截止閥連接尺寸:

公稱通徑 DN(mm) | 主要外形尺寸及連接尺寸(mm) | ||||||||||
L | D | D1 | D2 | D6 | b | f | f2 | z-d | H | DO | |
J41B-16C J41B-16Q J41B-16K | |||||||||||
10 | 130 | 90 | 60 | 40 | 35 | 14 | 2 | 4 | 4-14 | 196 | 120 |
15 | 130 | 95 | 65 | 45 | 40 | 14 | 2 | 4 | 4-14 | 196 | 120 |
20 | 150 | 105 | 75 | 55 | 51 | 16 | 2 | 4 | 4-14 | 196 | 140 |
25 | 160 | 115 | 85 | 65 | 58 | 16 | 2 | 4 | 4-14 | 204 | 160 |
32 | 180 | 135 | 100 | 78 | 66 | 18 | 2 | 4 | 4-18 | 208 | 160 |
40 | 200 | 145 | 110 | 85 | 76 | 18 | 3 | 4 | 4-18 | 248 | 200 |
50 | 230 | 160 | 125 | 100 | 88 | 20 | 3 | 4 | 4-18 | 248 | 200 |
65 | 290 | 180 | 145 | 125 | 110 | 22 | 3 | 4 | 4-18 | 321 | 240 |
80 | 310 | 195 | 160 | 135 | 121 | 24 | 3 | 4 | 8-18 | 325 | 240 |
100 | 350 | 215 | 180 | 155 | 150 | 24 | 3 | 4.5 | 8-18 | 371 | 280 |
125 | 400 | 245 | 210 | 185 | 176 | 26 | 3 | 4.5 | 8-18 | 400 | 320 |
150 | 480 | 280 | 240 | 210 | 204 | 26 | 3 | 4.5 | 8-23 | 432 | 320 |
200 | 600 | 335 | 295 | 265 | 260 | 30 | 3 | 4.5 | 12-23 | 654 | 400 |
250 | 650 | 405 | 335 | 320 | 313 | 32 | 3 | 4.5 | 12-25 | 745 | 500 |
300 | 700 | 460 | 410 | 375 | 364 | 34 | 3 | 4.5 | 12-25 | 852 | 600 |
相關產品


